產品導航
Product navigation
當前位置:首頁 > 提升機圖紙 > NE30斗式提升機外形圖及地基尺寸
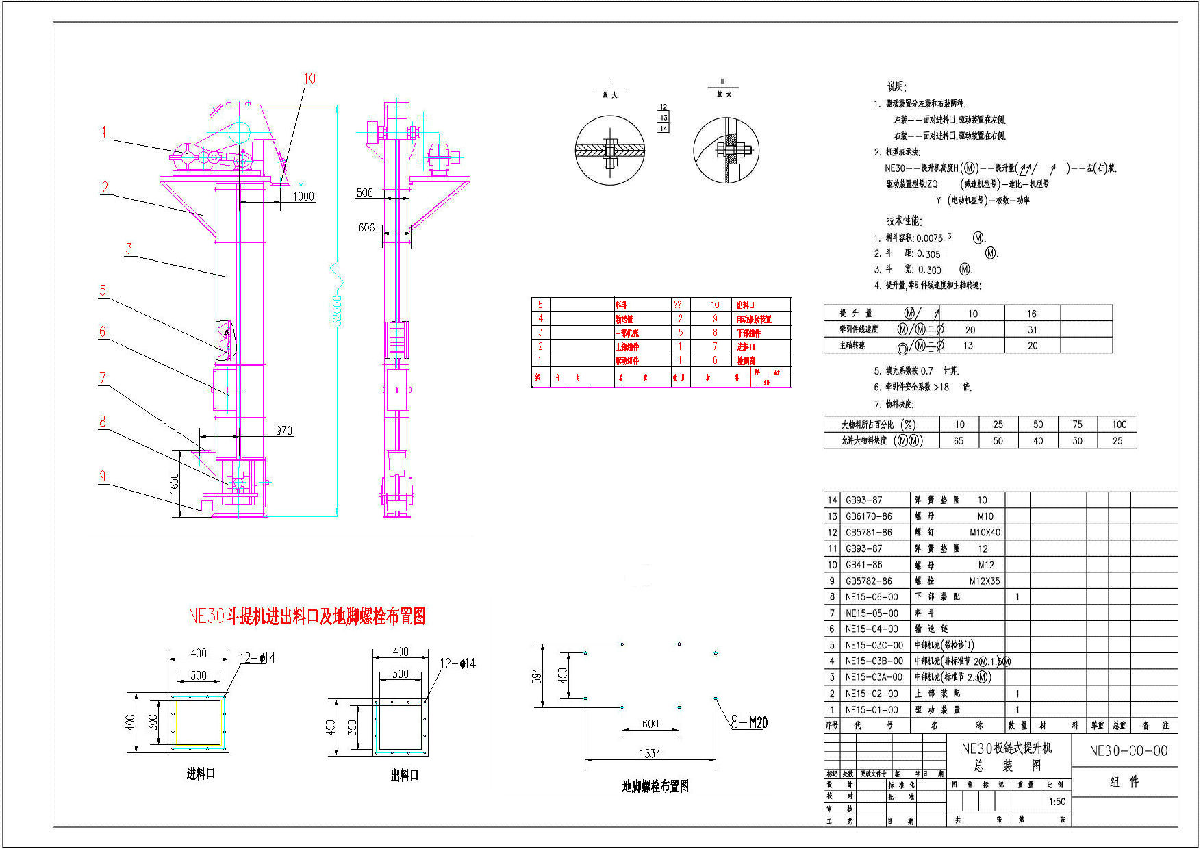
NE30斗式提升機外形圖及地基尺寸
發布人:新鄉天太斗式提升機廠家 發布時間:2019-10-04
NE30斗式提升機外形圖及地基尺寸
NE30斗式提升機為單排鏈樣式,提升量30立方/小時,料斗寬度300mm,容積約7L,料斗間距:304.8mm。NE30斗式提升機為單排鏈樣式,即上下各安裝一個鏈輪。
版權說明:如非注明,本站文章均為新鄉天太斗式提升機廠家原創,轉載請注明出處和附帶NE30斗式提升機外形圖及地基尺寸本文鏈接。


